Estribos: Qual a função, como dimensionar e executar
PROJETO ESTRUTURAL
O que são estribos?
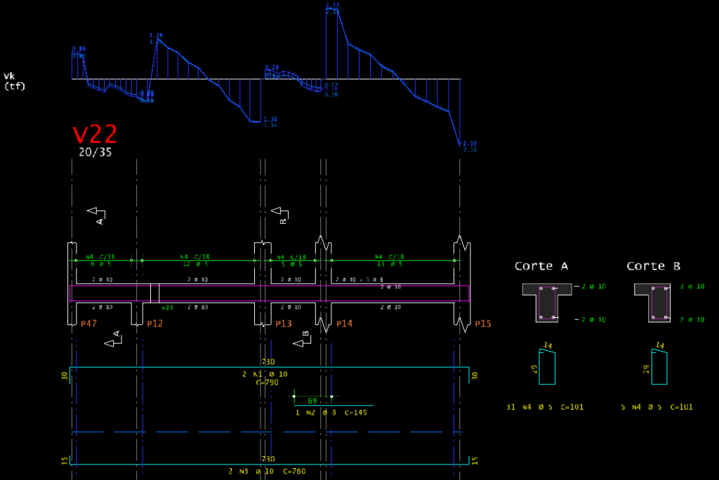
Os estribos são componentes presentes na armação de elementos estruturais em concreto armado. São barras de aço dobradas e colocas de maneira transversal ao elemento estrutural com a principal função de resistir aos esforços de cisalhamento. Em obras residenciais, normalmente são executados nas bitolas de 5 ou 6,3 mm e espaçados numa distância entre 10 e 20 cm, dependendo dos esforços solicitantes do trecho do elemento estrutural.
Como é feito o dimensionamento?
O dimensionamento dos estribos em vigas de concreto armado é feito partir de um princípio conhecido como treliça de Mörsch e leva em conta parâmetros como as dimensões da seção transversal do elemento estrutural, o esforço cortante solicitante em cada trecho, a resistência a tração e compressão do concreto e a tensão de escoamento do aço. Os resultados são obtidos normalmente na unidade de cm²/m e a solução é ajustada pela bitola da barra de aço e pelo espaçamento entre os estribos.
Apesar da sua principal função ser a de resistir aos esforços de cisalhamento, os estribos ainda tem outras funções importantes nos elementos estruturais. Em vigas, os estribos ajudam a absorver esforços de torção, por isso é comum que vigas que apresentam esforços maiores deste tipo, como as que servem de apoio para marquises, apresentem maiores áreas de aço na armadura transversal.
Outra função dos estribos, dessa vez nos pilares, é a prevenção do fenômeno de flambagem que acontece em elementos esbeltos e sobre compressão. Os estribos nesses casos encurtam as distâncias entre apoios das armaduras longitudinais, conferindo uma maior estabilidade ao elemento.
Os estribos podem ser executados em diversos formatos, mas normalmente são retangulares. Além disso, é possível fazer a emenda de vários tipos, os mais comuns sendo aberto, fechado e tipo “c”. A escolha de tipo varia de acordo com a preferência do projetista e do ferreiro.












